Práctico - Examen Técnico/a Especialista Mantenimiento (3 plazas) Ayuntamiento de Madrid 23/03/2025

Práctico

Usted presta servicio como técnico/a especialista de mantenimiento y servicios generales en un centro deportivo municipal del Ayuntamiento del Madrid.

En su turno de trabajo de fin de semana, el centro deportivo municipal cuenta, entre otros, con los siguientes servicios deportivos:

  • Piscina cubierta con un vaso polivalente y otro de enseñanza, ambos climatizados.
  • Pistas exteriores polideportivas.
  • Pabellón cubierto y salas multitrabajo.
  • Campo de fútbol de césped artificial.

Una de las pistas polideportivas del centro donde usted trabaja se encuentra en mal estado y le han encargado preparar los materiales necesarios y realizar la reparación.

La pista tiene unas dimensiones de 22 x 44 m, es de pavimento de asfalto, no presenta fisuras muy marcadas y aunque sí presenta algunos hundimientos, parecen poco profundos. Tanto el revestimiento actual como los marcajes son prácticamente inexistentes. La pista está encintada con bordillos de hormigón y está dotada de un sistema de drenaje perimetral.

La reparación se va a llevar a cabo mediante un sistema de revestimiento de resinas multicapa. Los componentes y rendimientos de los materiales por cada capa son los siguientes:

  • Lechada Bituminosa sellante (Rendimiento 2 Kg /m2)
  • Capa de regularización y acondicionamiento
    • Ligante (Rendimiento 0,4 Kg /m2)
    • Árido (Rendimiento 0,5 Kg /m2)
    • Agua (Rendimiento 0,2 Kg /m2)
  • Capa de terminación
    • Mortero acrílico-epoxi (Rendimiento 0,4 Kg /m2)
    • Agua (Rendimiento 0,05 Kg /m2)
  • Capa de sellado pintura acrílico-epoxi bicomponente, vía agua
    • Pintura (Rendimiento 0,15 Kg /m2)
    • Agua (Rendimiento 0,03 Kg /m2)
  • Marcaje pintura acrílica mate vía agua (Rendimiento 0,3 Kg /m2)

Las líneas de marcaje tienen una longitud de 275 mm y un ancho de 8 cm.

Las respuestas de la IA pueden contener errores.
1 - ¿Qué procedimiento va a seguir para realizar el encargo recibido?
Eliminación de los marcajes existentes mediante desbastado de la superficie. Eliminación de cualquier resto de polvo, suciedad o grasa mediante barrido de la pista. Aplicación de una capa de sellado sobre la superficie mediante lechada bituminosa. Comprobación de la planimetría mediante inundación de la pista, pasados 20 minutos en las zonas donde se retenga una lámina de agua superior a 3 mm se marcará para ser reparada en una o varias capas dependiendo del material utilizado. Raspar, lijar y soplar la superficie. Aplicar una capa de regularización y acondicionamiento. Raspar, lijar y soplar la superficie. Aplicar tres capas de mortero acrílico- epoxi bicomponente, vía agua. Raspar, lijar y soplar la superficie. Aplicar una capa de sellado mediante pintura acrílico-epoxi bicomponente vía agua. Realizar el marcaje deportivo.
Eliminación de los marcajes existentes mediante desbastado de la superficie. Eliminación de cualquier resto de polvo, suciedad o grasa mediante barrido de la pista. Comprobación de la planimetría mediante inundación de la pista, pasados 20 minutos en las zonas donde se retenga una lámina de agua superior a 3 mm se marcará para ser reparada en una o varias capas dependiendo del material utilizado. Aplicación de una capa de sellado sobre la superficie mediante lechada bituminosa. Raspar, lijar y soplar la superficie. Aplicar una capa de regularización y acondicionamiento. Raspar, lijar y soplar la superficie. Aplicar tres capas de mortero acrílico- epoxi bicomponente, vía agua. Raspar, lijar y soplar la superficie. Aplicar una capa de sellado mediante pintura acrílico-epoxi bicomponente vía agua. Realizar el marcaje deportivo.
Eliminación de los marcajes existentes mediante desbastado de la superficie. Eliminación de cualquier resto de polvo, suciedad o grasa mediante barrido de la pista. Aplicación de una capa de sellado sobre la superficie mediante lechada bituminosa. Comprobación de la planimetría mediante inundación de la pista, pasados 20 minutos en las zonas donde se retenga una lámina de agua superior a 3mm se marcará para ser reparada en una o varias capas dependiendo del material utilizado. Aplicar una capa de regularización y acondicionamiento. Raspar, lijar y soplar la superficie. Aplicar tres capas de mortero acrílico-epoxi bicomponente, vía agua. Raspar, lijar y soplar la superficie. Aplicar una capa de sellado mediante pintura acrílico-epoxi bicomponente vía agua. Raspar, lijar y soplar la superficie. Realizar el marcaje deportivo.

Las respuestas de la IA pueden contener errores.
2 - ¿Cuál es el procedimiento que va a utilizar Ud. para realizar el marcaje de la pista?
Marcar previamente con cordón impregnado en yeso los bordes de las líneas de juego con su ancho definitivo. Comprobación del replanteo realizado. Pegar por la parte interior y siguiendo las líneas marcadas, un papel adhesivo de 2,5 cm de anchura como mínimo. Sellar las posibles burbujas que hayan quedado bajo la cinta marcadora con la misma pintura que hemos pintado la superficie de juego sin diluir. Una vez seco el sellado pintar con brocha el espacio que queda entre las tiras de papel adhesivo.
Marcar previamente con cordón impregnado en yeso los bordes de las líneas de juego con su ancho definitivo. Comprobación del replanteo realizado. Pegar por la parte exterior y siguiendo las líneas marcadas, un papel adhesivo de 2,5 cm de anchura como mínimo. Sellar las posibles burbujas que hayan quedado bajo la cinta marcadora con la misma pintura que hemos pintado la superficie de juego sin diluir. Una vez seco el sellado, pintar con brocha el espacio que queda entre las tiras de papel adhesivo.
Marcar previamente con cordón impregnado en yeso los bordes de las líneas de juego con su ancho definitivo. Comprobación del replanteo realizado. Pintar con brocha el espacio que queda entre las líneas de replanteo.

Las respuestas de la IA pueden contener errores.
3 - Teniendo en cuenta la primera pregunta del supuesto, ¿cuántos kg de lechada bituminosa va a necesitar?
1.925 Kg.
1.936 Kg.
1.980 Kg.

Las respuestas de la IA pueden contener errores.
4 - Teniendo en cuenta la primera pregunta del supuesto, para realizar la capa de regularización necesitamos 484 Kg de uno de sus componentes, ¿de qué componente se trata?
Agua.
Ligante.
Ninguna de las respuestas es correcta.

Las respuestas de la IA pueden contener errores.
5 - Teniendo en cuenta la primera pregunta del supuesto, para realizar la capa de regularización, ¿cuánto ligante es necesario?
387,20 Kg.
193,60 Kg.
382,70 Kg.

Las respuestas de la IA pueden contener errores.
6 - Teniendo en cuenta la primera pregunta del supuesto, ¿cuál es la cantidad correcta de kg de mortero acrílico-epoxi que se van a utilizar en total para la ejecución del sistema de revestimiento?
387,20 Kg.
774,4 Kg.
1.161,60 Kg.

Las respuestas de la IA pueden contener errores.
7 - Teniendo en cuenta la primera pregunta del supuesto, ¿cuántos Kg de agua van a ser necesarios para realizar el sistema completo de este revestimiento?
267,84 Kg.
319,44 Kg
271,04 Kg.

Las respuestas de la IA pueden contener errores.
8 - ¿Qué herramientas y útiles se van a utilizar para realizar los trabajos?
Barredora, llana, rastra de goma, sopladora, pistola airless, flexómetro.
Cepillo, rastra de goma, lijadora, brocha, odómetro.
Ambas respuestas son correctas.

Las respuestas de la IA pueden contener errores.
9 - La figura representa la sección de una pista de pavimento de hormigón poroso. ¿Qué materiales la forman?
1.Terreno compactado, 2.Solera de hormigón, 3.Capa drenante, 4.Hormigón poroso, 5.Tubo drenante, 6.Acabado final mediante revestimiento de resinas.
1.Terreno compactado, 2.Solera de hormigón, 3.Capa drenante, 4.Hormigón poroso, 5.Tubo drenante, 6.Pintura.
1.Terreno compactado, 2.Capa drenante, 3.Solera de hormigón, 4.Hormigón poroso, 5.Tubo drenante, 6.Pintura.

Las respuestas de la IA pueden contener errores.
10 - La figura representa la sección de una pista de pavimento de hormigón poroso, teniendo en cuenta su contestación en la pregunta anterior ¿piensa Ud. que la pista está construida de forma adecuada?
Si, dispone de todos los materiales necesarios.
No, porque se trata de un pavimento permeable.
Si, la canaleta evacuará el agua de la pista.

Dimensiones de los Vasos de la Piscina Cubierta
  • Vaso Polivalente: 25 m de largo, 12 m de ancho y 1,5 m de profundidad promedio.
  • Vaso de Enseñanza: 12 m de largo, 5 m de ancho y 0,75 m de profundidad promedio.
Las respuestas de la IA pueden contener errores.
11 - En cuanto a los vasos de la piscina del centro deportivo, ¿cuál de los siguientes datos no será necesario anotar diariamente, según lo indicado en las medidas de verificación de la Ordenanza de Protección de la Salubridad Pública en la Ciudad de Madrid, de 28 de mayo de 2014?
El tiempo de recirculación.
El agua renovada en metros cúbicos.
El número de bañistas.

Las respuestas de la IA pueden contener errores.
12 - Si se detecta una situación de incidencia en cualquiera de los vasos de la piscina, según lo indicado en el RD 742/2013, por el que se establecen los criterios técnico-sanitarios de las piscinas:
El técnico/a de mantenimiento deberá realizar las gestiones oportunas para conocer las causas, así como adoptar las medidas correctoras y preventivas.
La autoridad competente deberá ser informada de la situación de incidencia. Dicha comunicación podrá ser realizada por medios electrónicos.
Ambas respuestas son correctas.

Las respuestas de la IA pueden contener errores.
13 - Si al realizar el control de rutina de parámetros del agua en el vaso de enseñanza, el valor del cloro combinado residual es 1 mg/l, ¿qué medida adoptaría?
Añadir ácido muriático al agua para neutralizar el cloro residual hasta su valor adecuado, siguiendo las instrucciones del fabricante.
Informar de la situación de incidencia al titular, antes de realizar ninguna medida correctora.
Ninguna de las anteriores.

Las respuestas de la IA pueden contener errores.
14 - El vaso polivalente tiene cuatro escaleras de acceso, distribuidas a lo largo de los laterales del vaso a escasos tres metros de las esquinas, ¿esto sería correcto en base al Decreto 99/2024, por el que se establecen los criterios técnicos e higiénico-sanitarios de las piscinas y parques acuáticos de la Comunidad de Madrid?
Sí, las escaleras se distribuyen uniformemente alrededor del vaso, de modo que su número no sea inferior a dos, excepto en vasos de chapoteo que dispondrán de, al menos, una.
Sí, las escaleras estarán colocadas en las proximidades de los ángulos del vaso, en el caso de que cuenten con ellos, y en los cambios de pendiente, de forma que no disten más de veinte metros entre ellas.
No, las escaleras deberán estar colocadas en las proximidades de los ángulos del vaso, en el caso de que cuenten con ellos, y en los cambios de pendiente, de forma que no disten más de quince metros entre ellas.

Las respuestas de la IA pueden contener errores.
15 - Si la superficie de filtración para el vaso de enseñanza es de 1 m2 y observa que el tiempo de recirculación es de 2 horas, ¿cuál sería la velocidad de filtración?
20 m/h.
22,5 m/h.
25 m/h.

Las respuestas de la IA pueden contener errores.
16 - Observa que el agua del vaso polivalente tiene un pH de 8 y decide añadir al agua un producto reductor de pH para bajarlo a un valor de 7,6. Según la etiqueta del producto, añadiendo 1 kg por cada 50 m 3 de agua se reduce una décima el pH. ¿qué cantidad de reductor deberá añadir en este caso?
30 kilogramos.
36 kilogramos.
42 kilogramos.

Las respuestas de la IA pueden contener errores.
17 - La adición de producto químico mediante una bomba dosificadora programable, si la sonda de medición del parámetro está inhabilitada:
Es un sistema manual de tratamiento.
Es un sistema automático de tratamiento.
Es un sistema semiautomático de tratamiento.

La siguiente figura representa el filtro de arena de la depuradora del vaso de enseñanza:

Las respuestas de la IA pueden contener errores.
18 - Para realizar un lavado de la arena del filtro, ¿qué válvulas deberían estar cerradas?
Las válvulas 1, 4 y 5.
Las válvulas 1 y 3.
Las válvulas 2 y 5.

Las respuestas de la IA pueden contener errores.
19 - Partiendo de la posición de las válvulas de la figura, ¿qué opción de las siguientes realizaría, para el vaciado del vaso de enseñanza a través de la bomba de depuración?
Abrir la válvula 3 y cerrar la 5.
Abrir la válvula 2 y cerrar la 5.
Abrir la válvula 2 y cerrar la 1.

Las respuestas de la IA pueden contener errores.
20 - ¿Cuál de las siguientes afirmaciones es incorrecta con respecto a la calidad del aire en la piscina cubierta, según el RD 742/2013?
La humedad relativa será inferior al 65 %.
La temperatura seca del aire del local de la piscina climatizada se mantendrá entre 1 °C y 2 °C por encima de la del agua del vaso de enseñanza, excepto los de hidromasaje y terapéuticos.
La concentración de CO 2 en el aire del recinto de los vasos cubiertos no superará más de 500 ppm (en volumen) del CO2 del aire exterior.

Las respuestas de la IA pueden contener errores.
21 - Al inicio de su turno verifica que el caudal de ventilación de la deshumectadora de la piscina cubierta marca 750 m3/h. Si consideramos el vaso polivalente (25m de largo x 16m de ancho), y que el aforo viene determinado por dicha lámina (2 m2/persona), el caudal de ventilación:
Está fuera de norma, según el cálculo por el Método indirecto de caudal de aire exterior por persona, según el Reglamento de instalaciones térmicas en Edificios «BOE» núm. 207, de 29 de agosto de 2007.
Está dentro de norma, según el cálculo por el Método indirecto de caudal de aire exterior por persona, según el Reglamento de instalaciones térmicas en Edificios «BOE» núm. 207, de 29 de agosto de 2007.
Es indiferente, el caudal que marca la deshumectadora.

Las respuestas de la IA pueden contener errores.
22 - ¿Qué intensidad marcaría el amperímetro del motor de la depuradora del vaso de enseñanza, si conocemos que dicho motor es monofásico, su potencia es de 3.450 W y el factor de potencia es 0,5? Considere la tensión usual de la red según el REBT y que las pérdidas son despreciables.
15 A.
20 A.
30 A.

Las respuestas de la IA pueden contener errores.
23 - Si el valor de la resistencia a tierra es de 200Ω, y disponemos de una protección diferencial en la sala de depuración, para detectar las corrientes de defecto en la instalación al producirse un fallo de aislamiento o un contacto accidental del técnico/a de mantenimiento con una masa conductora bajo tensión, ¿cuál sería el valor mínimo de sensibilidad de dicho interruptor diferencial? Considere la sala de depuración como local conductor.
100 mA.
300 mA.
500 mA.

Las respuestas de la IA pueden contener errores.
24 - Si disponemos de un motor de depuración para la piscina del vaso polivalente, el cual por su potencia tiene un dispositivo de arranque estrella – triángulo, y tiene en Placa de características que la Intensidad Nominal del mismo es 60 A, ¿Cuánta intensidad marcaría el amperímetro, cuando el motor está en régimen permanente, en estrella y todavía no ha hecho el cambio a triángulo?
60 A.
30 A.
20 A.

Las respuestas de la IA pueden contener errores.
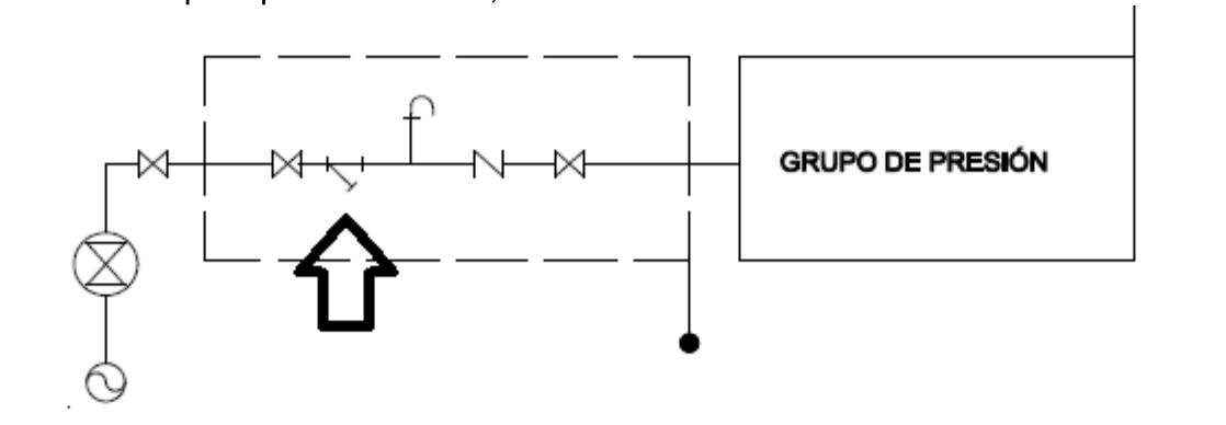
25 - En el siguiente esquema general suministro de agua de una instalación, el símbolo al que apunta la flecha, se refiere a:
Válvula antiretorno.
Grifo de vaciado.
Filtro.

Las respuestas de la IA pueden contener errores.
26 - Durante su turno de trabajo, la empresa externa de mantenimiento viene a montar un motor en la depuradora de uno de los vasos de la piscina, cuya placa de características se muestra en el siguiente dibujo. A la hora de conectar dicho motor, considerando que la alimentación de red es la usual en centros deportivos (230 V / 400 V), ¿qué tipo de conexión habría que realizar?
Conexión Directa en Triángulo.
Conexión Directa en Estrella.
Conexión Estrella - Triángulo.

Las respuestas de la IA pueden contener errores.
27 - En la climatizadora de pabellón tenemos un actuador proporcional para la regulación de las compuertas, con una tensión de regulación de 2-10V, ¿qué tensión marcará el mismo, si la apertura de las compuertas está al 25%?
3 voltios.
4 voltios.
5 voltios.

Las respuestas de la IA pueden contener errores.
28 - Disponemos de un automático magnetotérmico instalado en uno de los cuadros del centro deportivo que, según la hoja de características y ficha técnica del mismo, presenta una curva de disparo como la de la siguiente figura. ¿Cuál sería esta curva de disparo según la norma UNE-EN-60898?
Curva B.
Curva C.
Curva D.

Las respuestas de la IA pueden contener errores.
29 - En un centro deportivo, considerando este como un local de pública concurrencia, la alimentación de tensión de los receptores de red se realizará con cable con denominación:
AS.
AS+.
Es indiferente, con tal de que aguante la intensidad que consume el grupo.

Las respuestas de la IA pueden contener errores.
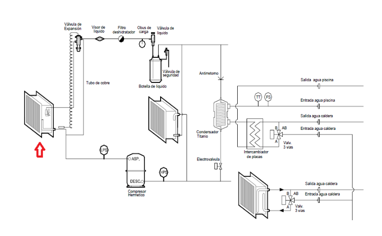
30 - Disponemos del esquema de funcionamiento tipo de una bomba de calor para la climatización del aire de la piscina cubierta. Fijándonos en dicho esquema, ¿cómo se denomina el dispositivo indicado por la flecha?
Batería Condensadora.
Batería Evaporadora.
Batería de Agua caliente.